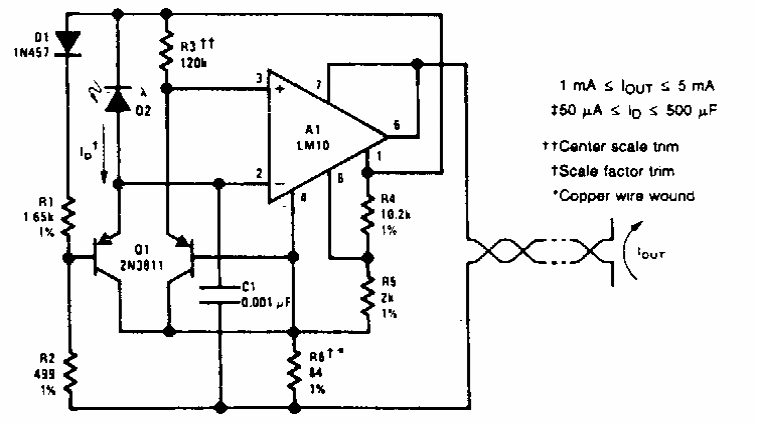
Encontrado num manual da National Semiconductor, este circuito se destina a transmissão de dados por par trançado, sendo os sinais obtidos a partir de um fotodiodo.
Encontrado num manual da National Semiconductor, este circuito se destina a transmissão de dados por par trançado, sendo os sinais obtidos a partir de um fotodiodo.