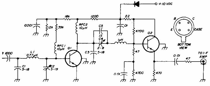
Este preamplificador de baixo ruído apresenta um ganho de 19 dB na faixa de 30 MHz. O circuito é dos anos 80. Os transistores são da época, podendo ser utilizados equivalentes. O consumo do circuito é de 13 mA.
Este preamplificador de baixo ruído apresenta um ganho de 19 dB na faixa de 30 MHz. O circuito é dos anos 80. Os transistores são da época, podendo ser utilizados equivalentes. O consumo do circuito é de 13 mA.