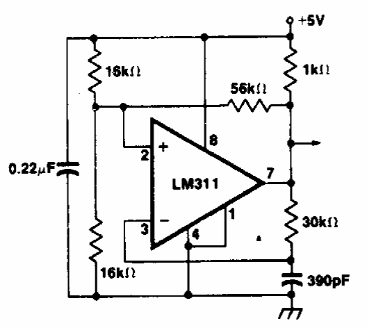
Esta configuração pode ser elaborada com base em amplificadores operacionais ou comparadores modernos. O circuito é compatível com lógica TTL e, portanto, com microcontroladores.

 


 

 

 

 

NO YOUTUBE


NOSSO PODCAST