Pesquisar
Pesquisar
Principal
Aprendendo Online
Automação
Bancada de Reparação
Circuitos
Dicas
Livros Técnicos
Novidades
Projetos e Artigos
Revistas
mais ...
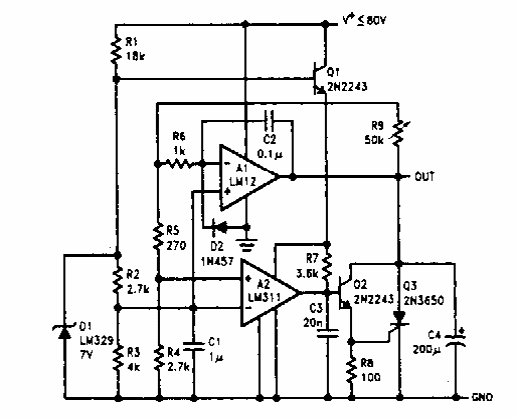
Regulador de 4 a 70V CIR20709S CB21174E (CIR20616)
Detalhes
Escrito por:
Newton C. Braga
Encontrado em documentação dos anos 90, este circuito faz uso de componentes da época.
Últimas Notícias
De Assadeira a Placa de Circuito: Lasers Transformam Papel-Manteiga em Eletrônicos (NS011)
A Próxima Fronteira: O Salto Quântico da Inovação Brasileira que Quer "Hackear" as Leis da Física (NS010)
Além da Terra: A tecnologia da USP que monitorou o bem-estar dos astronautas em missão à Lua (NS009)
Última Edição
Buscador de Datasheets
N° de Componente
NO YOUTUBE
NOSSO PODCAST
Recentes
De Assadeira a Placa de Circuito: Lasers Transformam Papel-Manteiga em Eletrônicos (NS011)
Revista Mecatrônica Jovem - Edição 26 - Música
A Próxima Fronteira: O Salto Quântico da Inovação Brasileira que Quer "Hackear" as Leis da Física (NS010)
Relé ativado por som V2347S (V2885)
Banco de Circuitos
Milivoltímetro DC CIR15333S CB8213E (CIR18303)
Oscilador Colpitts semi isolado CIR25580S CB25554E (CIR26476)
Decodificador de endereço com o 74LS138 CIR20952S CB20537E (CIR22237)
Monitor de alimentação CIR26259S CB26307E (CIR27267)
Acionamento biestável CIR22654S CB22108E (CIR21755)