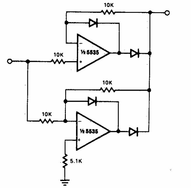
Este retificador de onda completa para sinais até 300 Hz apresenta características de baixa distorção. Podem ser usados os amplificadores operacionais 741 e os diodos são de uso geral.
Este retificador de onda completa para sinais até 300 Hz apresenta características de baixa distorção. Podem ser usados os amplificadores operacionais 741 e os diodos são de uso geral.