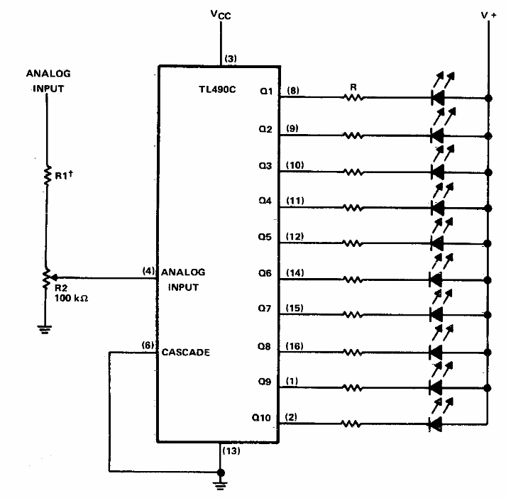
Encontrado numa documentação dos anos 90, este circuito faz uso de apenas um circuito integrado. Os resistores em série com os LEDs dependem da alimentação que pode ficar entre 5 e 12 V.
Encontrado numa documentação dos anos 90, este circuito faz uso de apenas um circuito integrado. Os resistores em série com os LEDs dependem da alimentação que pode ficar entre 5 e 12 V.