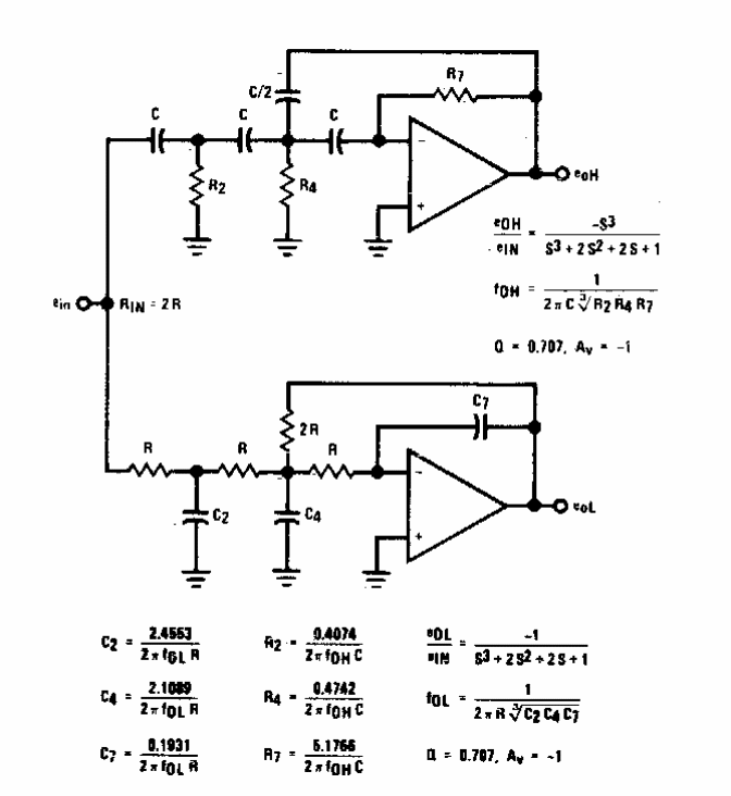
Este filtro Butterworth de terceira ordem foi encontrado numa documentação americana dos anos 80. As fórmulas para os cálculos dos componentes estão junto ao diagrama.
Este filtro Butterworth de terceira ordem foi encontrado numa documentação americana dos anos 80. As fórmulas para os cálculos dos componentes estão junto ao diagrama.