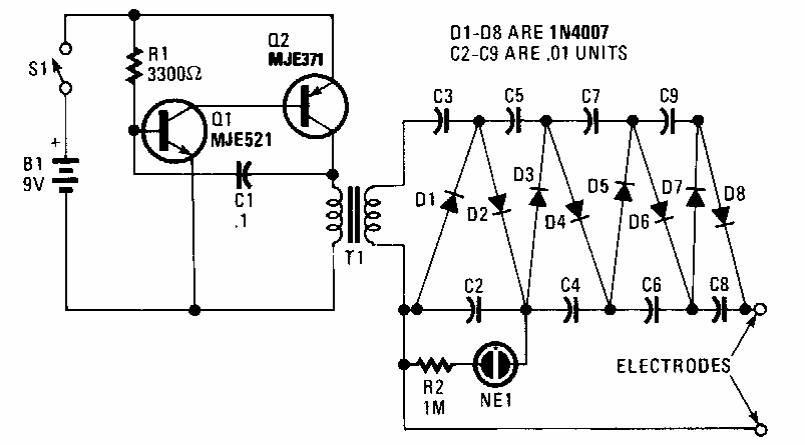
Encontrado numa Radio Electronics dos anos 90, este circuito pode ser usado em experimentos de alta tensão, ionizadores, ozonizadores e filtros eletrostáticos. O transformador tem primário de 110 V e secundário de 6 a 12 V com 200 a 500 mA.
Encontrado numa Radio Electronics dos anos 90, este circuito pode ser usado em experimentos de alta tensão, ionizadores, ozonizadores e filtros eletrostáticos. O transformador tem primário de 110 V e secundário de 6 a 12 V com 200 a 500 mA.