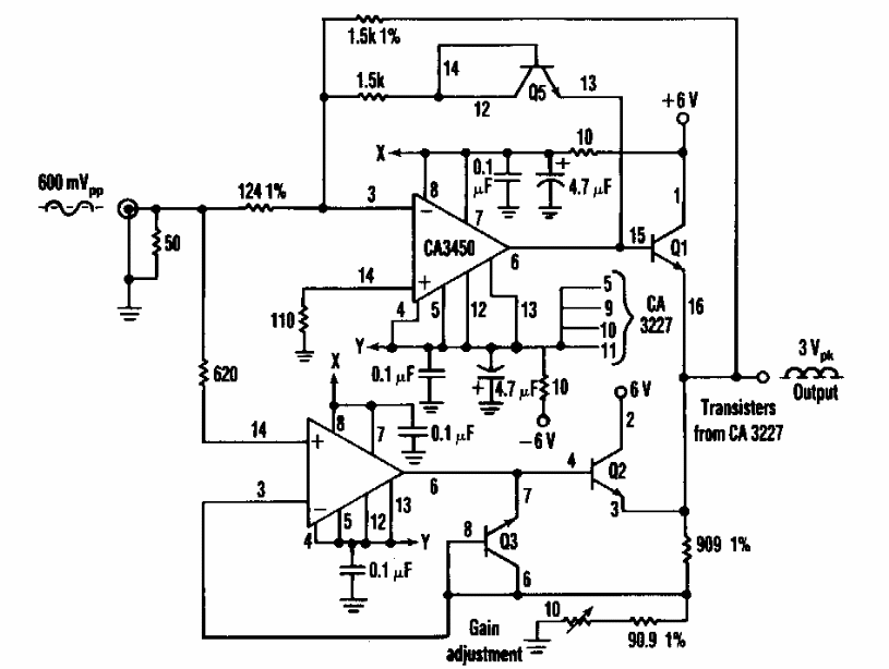
Este retificador de sinais de precisão foi encontrado numa Electronic Design. Os componentes usados são da época, pouco comuns em nossos dias.

 


| Clique na imagem para ampliar |

 

 

 

NO YOUTUBE


NOSSO PODCAST