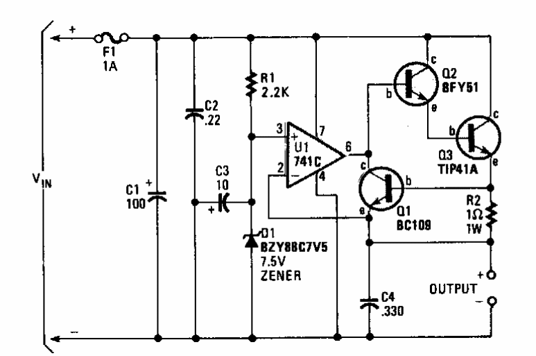
Este circuito foi encontrado numa Hands On Electronics dos anos 90. Ele se destina a alimentação de toca-fitas antigos a pilhas com tensão de 7,5 V a partir dos 12 V de uma bateria de carro ou fonte.
Este circuito foi encontrado numa Hands On Electronics dos anos 90. Ele se destina a alimentação de toca-fitas antigos a pilhas com tensão de 7,5 V a partir dos 12 V de uma bateria de carro ou fonte.