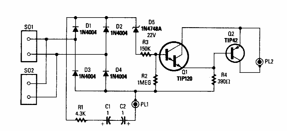
Sugerido por uma Popular Electronics dos anos 90, este circuito aciona uma carga externa, relé ou gravador, quando a linha telefônica recebe uma chamada, possibilitando assim sua gravação.
Sugerido por uma Popular Electronics dos anos 90, este circuito aciona uma carga externa, relé ou gravador, quando a linha telefônica recebe uma chamada, possibilitando assim sua gravação.