Gerador linear de escada CIR16423S CB9340E (CIR19396)
Detalhes
Escrito por: Newton C. Braga
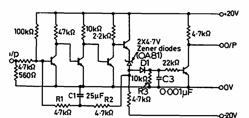
Este circuito foi encontrado numa documentação americana de 1969. Não são feitas indicações dos transistores usados, mas podem ser testados tipos de uso geral.