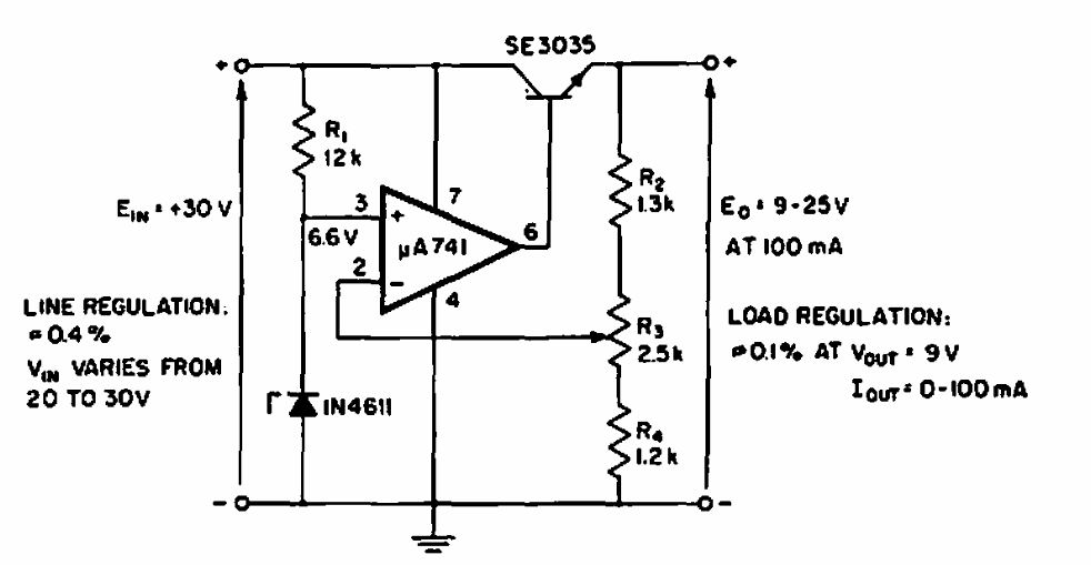
Regulador de 9 a 25 V com 100 mA CIR15875S CB8825E (CIR18839)
Detalhes
Escrito por: Newton C. Braga
Este pequeno regulador de tensão foi encontrado numa EEE de 1969. Podem ser usados transistores mais potentes para se obter uma corrente maior de saída.