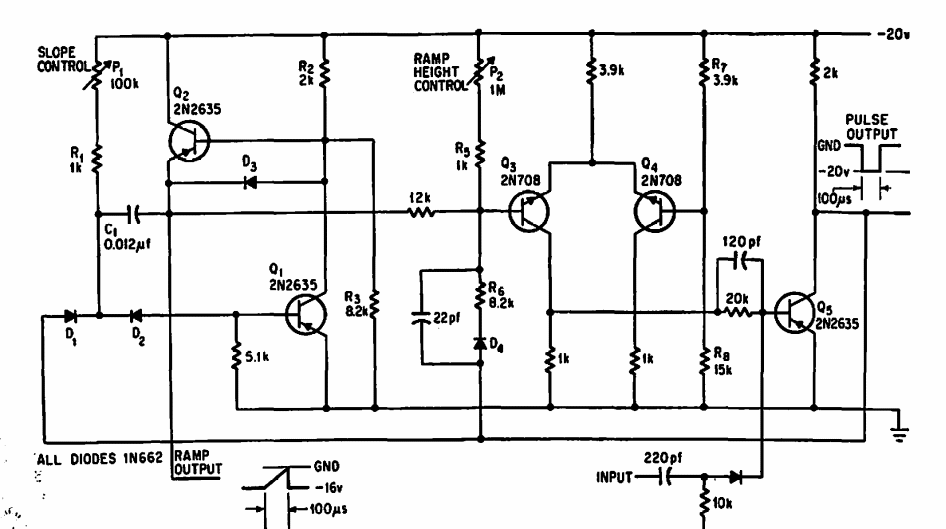
Encontrado num manual de 1967, este circuito utiliza transistores da época para gerar um sinal de rampa linear.

 


| Clique na imagem para ampliar |

 

 

NO YOUTUBE


NOSSO PODCAST