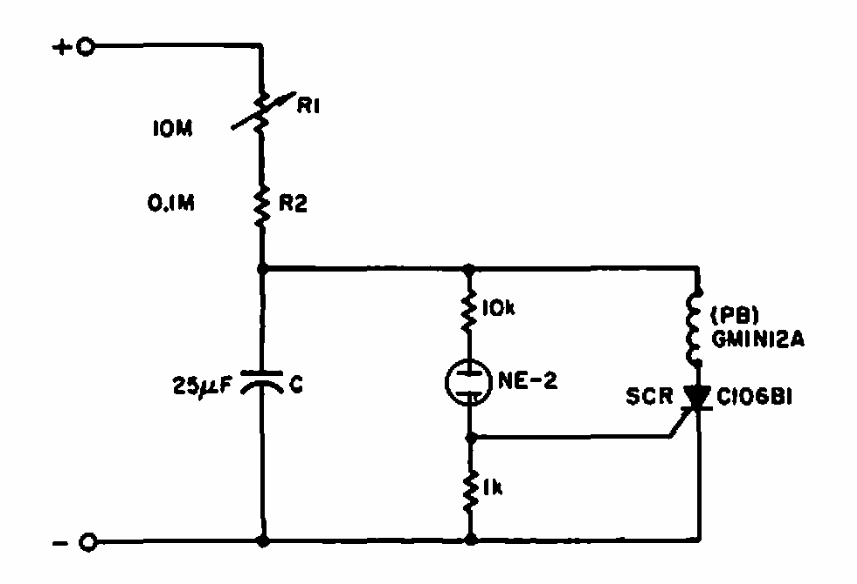
Este circuito produz pulsos de 90 V em intervalos que podem chegar a 5 minutos. O circuito é de uma Electronic Design de 1969.

 


| Clique na imagem para ampliar |

 

 

 

NO YOUTUBE


NOSSO PODCAST