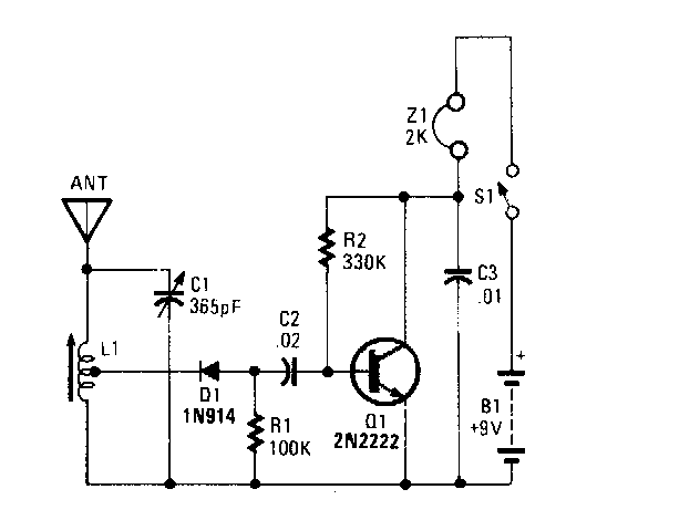
Este circuito foi obtido numa documentação antiga, servindo para a faixa de ondas médias. L1 tem 20 + 60 espiras de fio 26 a 30 num bastão de ferrite de 10 a 20 cm de comprimento.

Este circuito foi obtido numa documentação antiga, servindo para a faixa de ondas médias. L1 tem 20 + 60 espiras de fio 26 a 30 num bastão de ferrite de 10 a 20 cm de comprimento.
