Conversor para dente de serra CIR16015S CB8930E (CIR18988)
Detalhes
Escrito por: Newton C. Braga
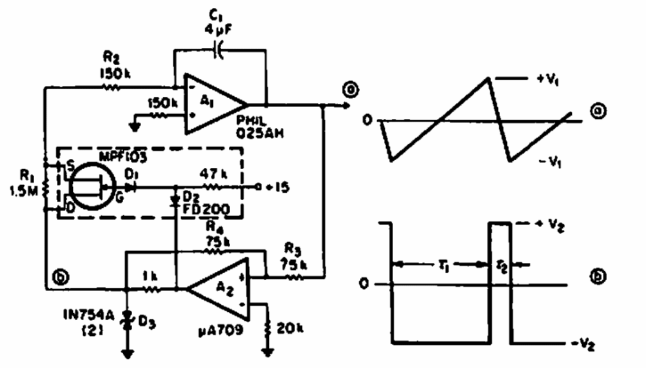
Encontrado numa EEE de 1969, este circuito converte pulsos de entrada em sinais dente de serra lineares, conforme mostrado os gráficos ao lado do diagrama.