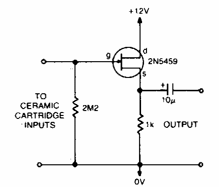
Esta configuração, encontrada em muitos outros circuitos desta seção, foi obtida em documentação americana dos anos70. Praticamente qualquer JFET pode ser usado.

Esta configuração, encontrada em muitos outros circuitos desta seção, foi obtida em documentação americana dos anos70. Praticamente qualquer JFET pode ser usado.
