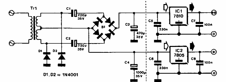
Este circuito foi obtido numa Elektor Electronics dos anos 90. A corrente de saída de cada setor é de 1 A. O transformador tem enrolamentos de 12 V ou 15 V e corrente de 2 A.
Este circuito foi obtido numa Elektor Electronics dos anos 90. A corrente de saída de cada setor é de 1 A. O transformador tem enrolamentos de 12 V ou 15 V e corrente de 2 A.