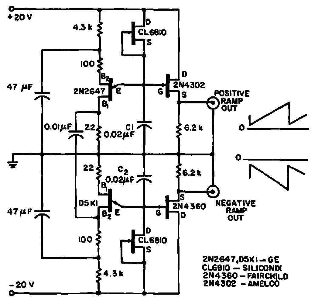
Na verdade, este circuito de uma Electronic Design de 1967 gera duas rampas simétricas cuja frequência depende dos valores dos componentes usados. Transistores equivalentes modernos podem ser usados.
Na verdade, este circuito de uma Electronic Design de 1967 gera duas rampas simétricas cuja frequência depende dos valores dos componentes usados. Transistores equivalentes modernos podem ser usados.