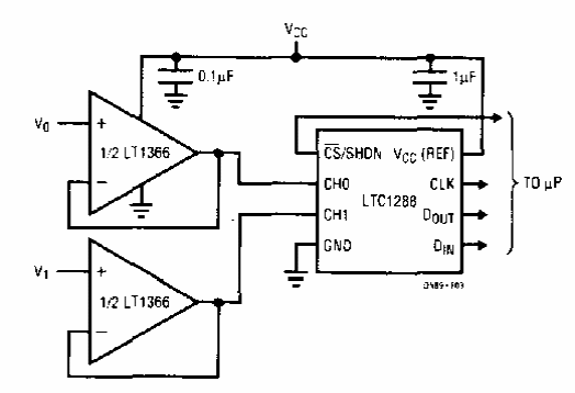
Este circuito foi obtido em documentação da Linear Technology dos anos 90. O circuito utiliza componentes da empresa.

 


 

 

 

NO YOUTUBE


NOSSO PODCAST