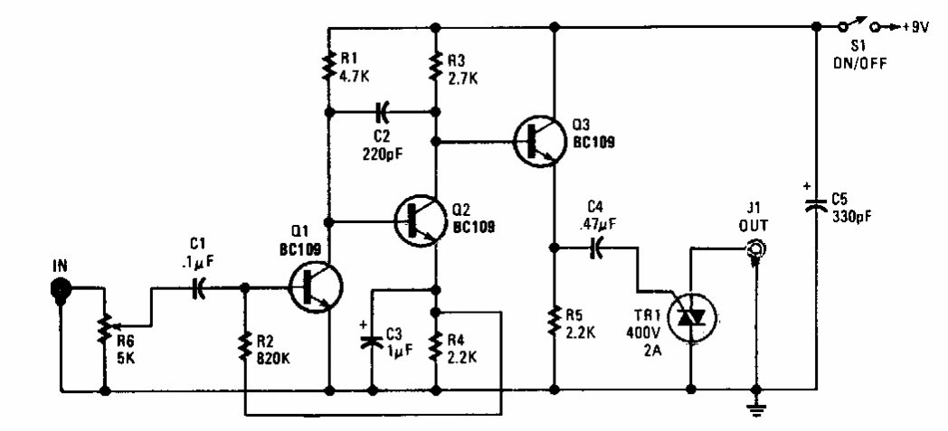
Encontrado numa Popular Electronics dos anos 90, este circuito dispara um flash de máquina fotográfica antigo do tipo com lâmpada de xenônio a partir do som captado por um microfone.
Encontrado numa Popular Electronics dos anos 90, este circuito dispara um flash de máquina fotográfica antigo do tipo com lâmpada de xenônio a partir do som captado por um microfone.