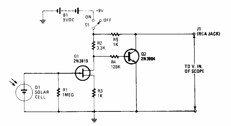
Originalmente projetado para analisar a forma dos pulsos de luz de um flash para aplicações fotográficas, este circuito pode ser usado em outras aplicações. Encontramos em uma Hands On dos anos 90.
Originalmente projetado para analisar a forma dos pulsos de luz de um flash para aplicações fotográficas, este circuito pode ser usado em outras aplicações. Encontramos em uma Hands On dos anos 90.