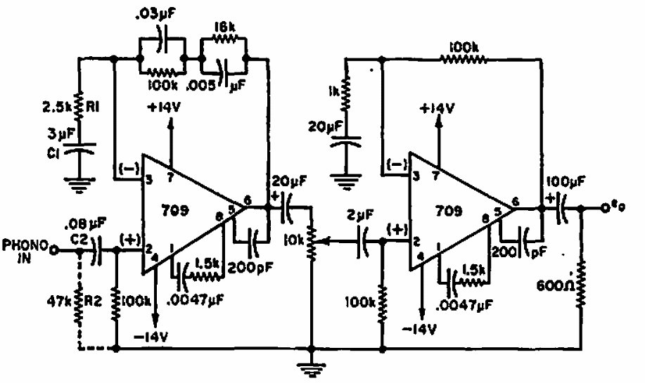
Este circuito foi obtido numa Electronics World de 1968. Os operacionais são tipos da época, não mais usados em nossos dias. O circuito tem resposta a partir de menos de 20 Hz.

 


| Clique na imagem para ampliar |

 

 

 

NO YOUTUBE


NOSSO PODCAST