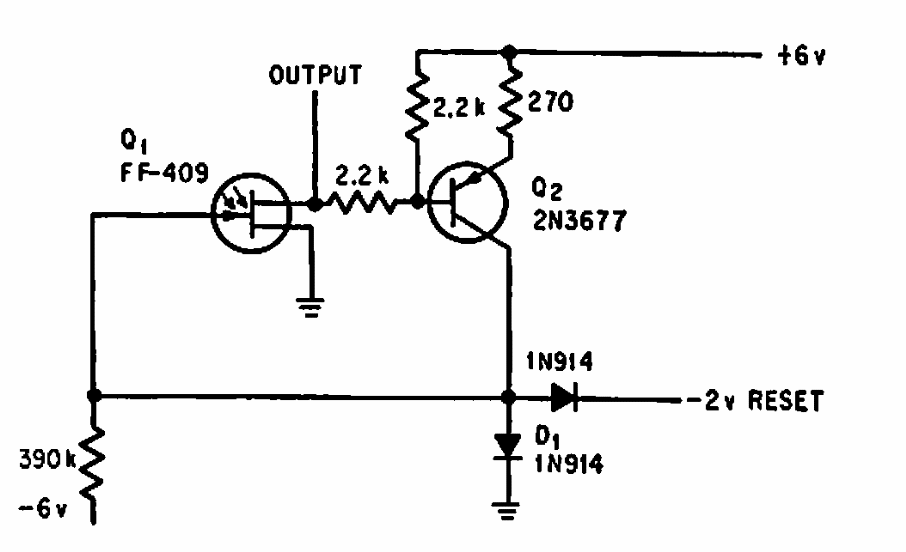
Este circuito é de uma documentação americana de 1966. O circuito faz uso de um foto-FET, componente pouco comum atualmente.

 


| Clique na imagem para ampliar |

 

 

 

NO YOUTUBE


NOSSO PODCAST