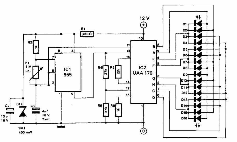
O circuito integrado UAA170 não é muito comum em nossos dias. Este projeto é de um 303 Circuitos dos anos 90. A alimentação é de 12 V.

 


| Clique na imagem para ampliar |

 

 

 

NO YOUTUBE


NOSSO PODCAST