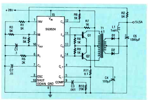
Este circuito usa o SQ3524, um circuito integrado chaveador. O circuito foi encontrado na revista Radio Electronics de abril de 1991.

Este circuito usa o SQ3524, um circuito integrado chaveador. O circuito foi encontrado na revista Radio Electronics de abril de 1991.
