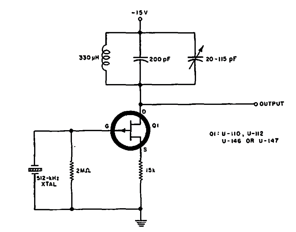
Os valores dos componentes usados neste circuito de uma Electronics World de 1967, são para uma frequência de 512 kHz. A alimentação pode ficar entre 6 e 22 V e o FET é de uso geral.
Os valores dos componentes usados neste circuito de uma Electronics World de 1967, são para uma frequência de 512 kHz. A alimentação pode ficar entre 6 e 22 V e o FET é de uso geral.