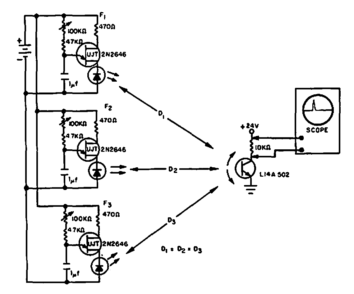
Encontrado numa publicação da General Electric de 1970, este circuito faz uso de um fototransistor móvel para varrer a emissão de três emissores com LEDs. O circuito permite visualizar então seus pulsos num osciloscópio.
Encontrado numa publicação da General Electric de 1970, este circuito faz uso de um fototransistor móvel para varrer a emissão de três emissores com LEDs. O circuito permite visualizar então seus pulsos num osciloscópio.