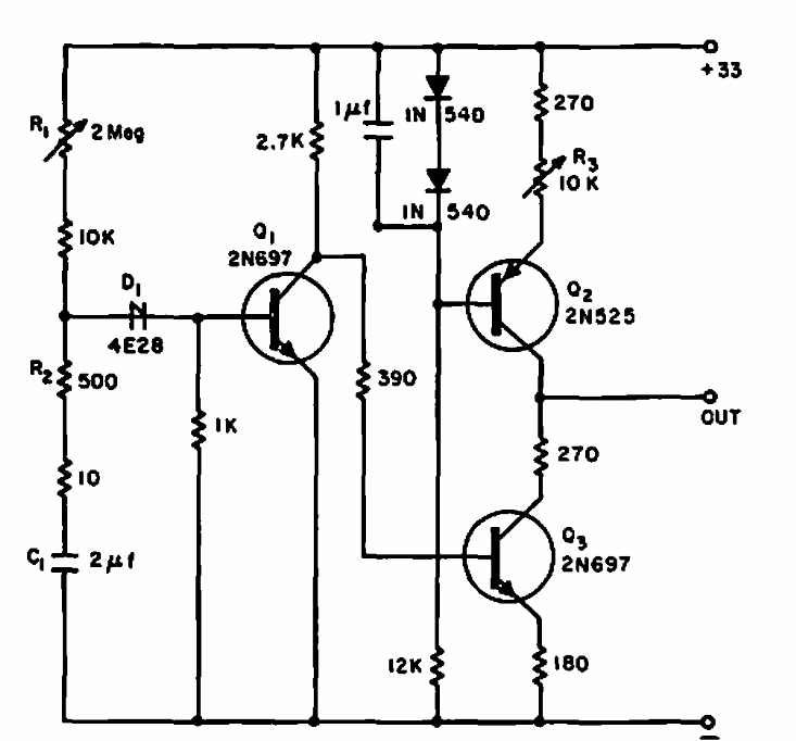
Encontrado numa Electronic Design de 1965, este circuito gera pulsos ajustáveis etre 200 uA e 10 mA. Os componentes admitem equivalentes. A duração dos pulsos é de 1 us.
Encontrado numa Electronic Design de 1965, este circuito gera pulsos ajustáveis etre 200 uA e 10 mA. Os componentes admitem equivalentes. A duração dos pulsos é de 1 us.