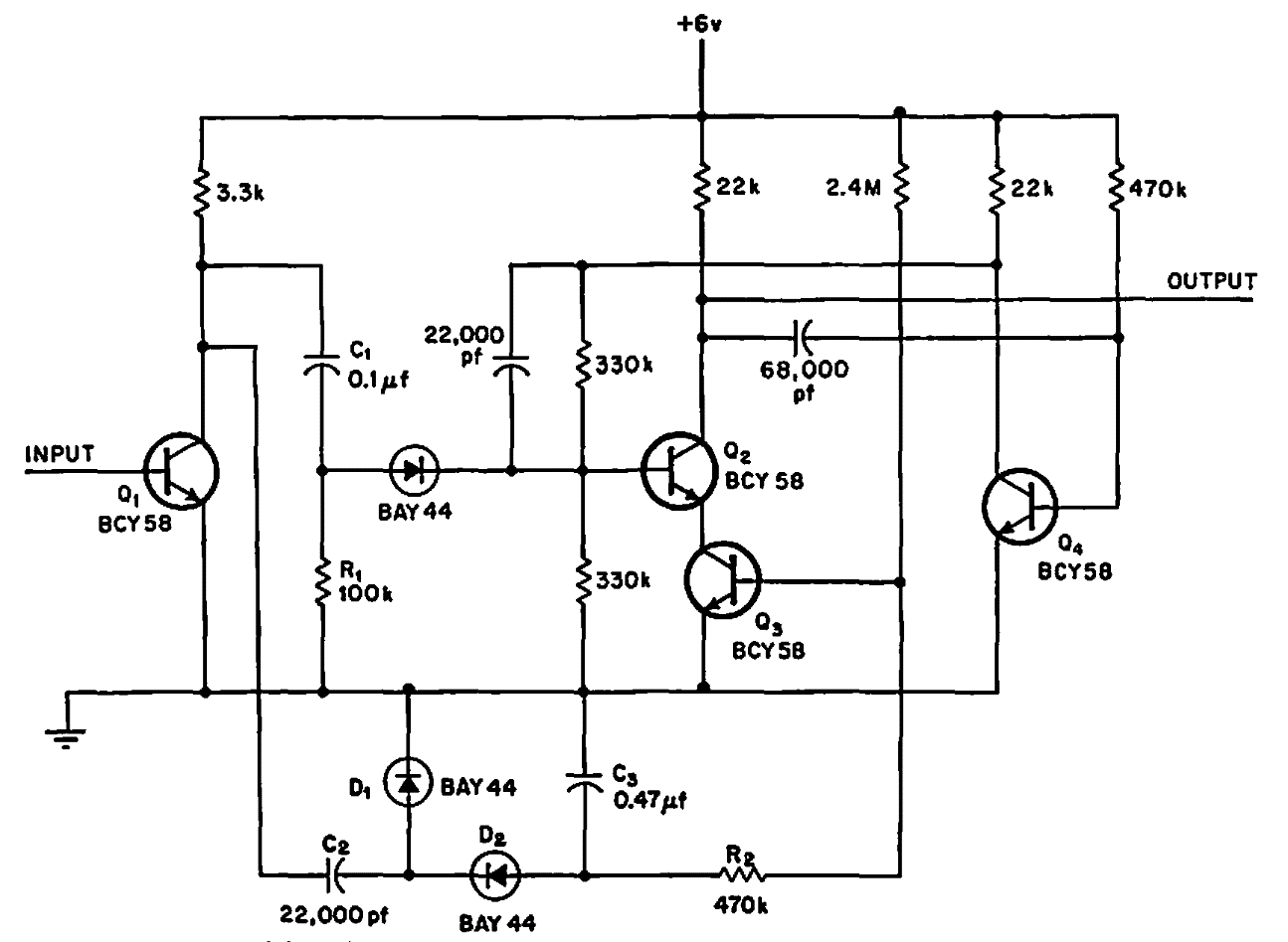
Este circuito foi encontrado numa documentação médica americana de 1970. O circuito tem rejeição a captação de ruído de 60 Hz e gera sinais de 2,5 Hz. Componentes equivalentes podem ser testados.
Este circuito foi encontrado numa documentação médica americana de 1970. O circuito tem rejeição a captação de ruído de 60 Hz e gera sinais de 2,5 Hz. Componentes equivalentes podem ser testados.