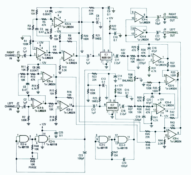
Encontramos este circuito para efeitos de voz na revista Radio Electronics de setembro de 1990. O circuito trabalha com sinais de duas entradas de um sistema estéreo.

Encontramos este circuito para efeitos de voz na revista Radio Electronics de setembro de 1990. O circuito trabalha com sinais de duas entradas de um sistema estéreo.
