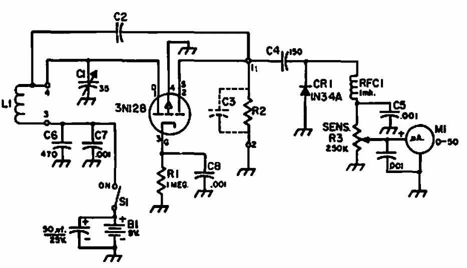
Este circuito é de documentação da ARLL de 1968. O MOSFET admite equivalente e a bobina determina a faixa de frequências de operação sendo do tipo de encaixe.

 


| Clique na imagem para ampliar |

 

 

 

NO YOUTUBE


NOSSO PODCAST