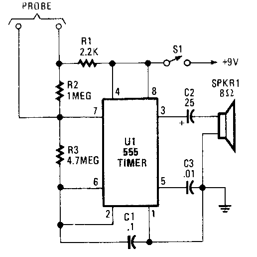
Este circuito foi encontrado numa Popular Electronics. Sua finalidade é avisar um deficiente visual quando seu copo de água ou outra bebida está cheio, disparando um pequeno alarme. O sensor é formado por dois fios descascados que se encaixam na borda do copo. Pode até ser criado um copo com o sensor embutido e o oscilador em sua base.
















