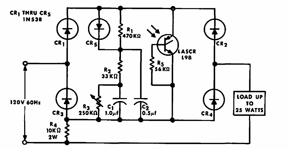
Este circuito foi sugerido pela General Electric em documentação de 1970. Ele faz uso de um foto-SCR ou LASCR, componente pouco comum atualmente.

 


| Clique na imagem para ampliar |

 

 

 

NO YOUTUBE


NOSSO PODCAST