Na edição anterior vimos a primeira parte deste projeto e demos ao leitor as condições de montar o transmissor do sistema. Nesta edição temos a segunda parte do artigo em que descrevemos a montagem do sensível receptor super-heteródino, cujo projeto pode ser aproveitado inclusive com outras finalidades.
Nota: segunda parte do projeto publicada na revista Saber Eletrônica 235 de 1992. Primeira parte no site e na revista 234.
O circuito receptor deste sistema de alarme é do tipo super-heteródino com decodificadores de tom de áudio por meio de detector de fase que o torna seletivo, sensível e bastante apropriado para a finalidade proposta pelo artigo.
O circuito emprega tanto transistores comuns como transistores de efeito de campo e circuitos integrados. São necessários poucos ajustes para sua colocação em funcionamento e a alimentação pode ser feita diretamente a partir da bateria de 12 V de um carro, ou se o leitor preferir, de fonte ou pilhas.
O relé utilizado permite o acionamento de cargas de até 5 ampères, o que significa a possibilidade de se controlar diretamente uma buzina.
Todos os componentes empregados neste setor do projeto são relativamente fáceis de encontrar devendo o leitor apenas tomar algum cuidado com a obtenção e enrolamento das bobinas que se constituem nos pontos críticos da montagem.
COMO FUNCIONA
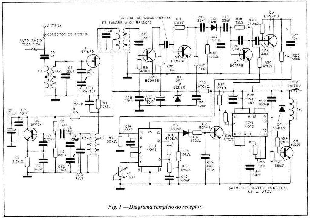
O circuito receptor é do tipo super-heteródino onde Q1 atua como misturador e 06 como oscilador cuja frequência deve ser ajustada de modo que ao se combinar com a frequência do transmissor tenhamos a frequência intermediária de 455 kHz.
O sinal de FI (frequência intermediária) é obtido a partir de FI e aplicado em Q2 que faz sua primeira amplificação para posterior aplicação num filtro cerâmico.
O filtro garante uma boa seletividade para o circuito, o que é importante para este tipo de aplicação. O sinal obtido do filtro recebe uma amplificação adicional por Q3 para então ser detectado por D2.
Depois de D2 já temos o sinal de áudio modulador do transmissor que é amplificado por Q4 e Q5, adquirindo assim intensidade suficiente para poder excitar o filtro PLL que tem por base um integrado 4046.
O ajuste da frequência deste filtro PLL é feito em P1. Obtemos na saída do PLL um sinal que é retificado por D3 e filtrado por R16/C19 quando ocorrer a detecção.
Este sinal é amplificado novamente por 07 servindo para comutar um biestável 4013 que tem por carga um transistor e o relé final de controle da carga externa.
Observe que o uso de um biestável faz com que possamos ligar e desligar a carga com toques sucessivos, já que a operação do transmissor tem por base um interruptor de pressão. Para maior estabilidade de funcionamento do circuito conversor a alimentação é feita por meio de fonte estabilizada com base em D1.
A antena do sistema pode ser a mesma do autorrádio, aproveitando-se então o conector a este aparelho para ligação deste receptor adicional conforme sugere o esquema.
MONTAGEM
Na figura 1 temos o diagrama completo do receptor.
Na figura 2 temos a disposição dos componentes numa placa de circuito impresso. Recomenda-se a utilização de placa de fibra de vidro para maior estabilidade de funcionamento do aparelho que, pela operação em frequências algo elevadas tem seus pontos críticos.
Isso também significa que o lay-out da placa deve ser seguido rigorosamente para que sejam evitadas instabilidades.
Os resistores podem ser de 1/8 ou 1/4 watt e os capacitores menores no setor de alta frequência devem ser cerâmicos tipo disco. Os eletrolíticos são para 16 ou 25 volts conforme indicado no diagrama, e os transistores admitem equivalentes. Para os BC548, por exemplo, podemos usar como equivalentes os BC547 e para o BC337 podemos usar o BD135. Para o BF494 temos BF495 e para o BF245 o MPF102.
A bobina FI pode ser amarela ou branca para 455 kHz de 1 cm para rádios AM comuns. O filtro cerâmico pode ser de qualquer tipo, como por exemplo o Murata, desde que sua frequência seja de 455 kHz.
- L1 é formada por 4 espiras de fio de 0,5 mm de espessura sobre urna forma de 6 mm de diâmetro com núcleo de ferrite ajustável.
- L2 é formada por 7 espiras do mesmo fio sobre L1.
- L3 é formada por 7 espiras do mesmo fio das bobinas anteriores sobre uma forma de 6 mm de diâmetro com núcleo de ferrite ajustável.
- L4 é formada por 3 espiras do mesmo fio sobre L3.
Os circuitos integrados devem ser montados em soquetes DIL para maior facilidade de manutenção e para evitar o calor no processo de soldagem.
O relé também admite equivalentes inclusive os MC2RC2 e G1RC2 de 12 V que possuem respectivamente contatos de 2 e 6 amperes.
Depois de montado, o circuito deverá ser alojado em caixa de metal (por exemplo alumínio) que serve de blindagem, evitando-se assim instabilidades de funcionamento. O protótipo foi instalado em automóveis e com o motor desligado não houve problema algum constatado de interferências ou estática.
AJUSTES E USO
Para o ajuste perfeito, um osciloscópio, um gerador de RF e um frequencímetro seriam os instrumentos ideais. No entanto nem todos têm acesso a estes instrumentos, de modo que descrevemos um processo mais simples de calibração que tem por base um amplificador de áudio e um multímetro.
O procedimento para ajuste é o seguinte:
- Coloque os trimmers CT1 e CT2 na metade de sua capacitância usando para esta finalidade o parafuso de ajuste.
- Ligue o transmissor do controle remoto, colocando um "jumper" na chave S1 de modo a mantê-lo ativado. Aproxime o transmissor do receptor até uma distância de aproximadamente 50 centímetros.
- Ligue o multímetro na faixa de tensões c.a. (Volts AC) mais baixa e conecte-o entre o coletor de 05 e o negativo da alimentação do circuito, usando um capacitor de 10 nF em série (figura 3).
- Ajuste o núcleo de L3 e L4 suavemente até sintonizar o sinal de áudio do transmissor. A presença do sinal será acusada pela deflexão do ponteiro do multímetro. Se não houver uma deflexão boa do ponteiro, intercale entre o multímetro e o ponto indicado de prova um amplificador. Na saída deste amplificador, em lugar do multímetro podemos deixar o alto-falante, caso em que ao sintonizar o sinal ouviremos o tom de áudio do transmissor.
- Ajuste depois o núcleo das bobinas L1 e L2 até obter o máximo de sinal.
- Refaça os ajustes anteriores, ajustando agora o trimmer CT2 para um ajuste fino do oscilador.
- Ajuste agora CT1 para obter máximo sinal.
Será interessante repetir algumas vezes todos os ajustes, pois eles são interdependentes, até obter a melhor sensibilidade para o circuito.
Passamos a seguir ao ajuste do sistema de tom.
Vamos inicialmente ao transmissor.
- Coloque o receptor ligado e já ajustado na frequência do transmissor, a uma distância de 50 centímetros.
- Remova o jumper da chave S1 do transmissor.
- Ajuste o trimpot P1 para 3/4 de seu curso para a direita. Quando S1 for pressionado devemos ouvir um tom agudo no receptor, se ele estiver ligado ao amplificador. Feito isso, passamos ao ajuste do tom no receptor (circuito PLL).
- Mantenha a chave S1 do transmissor pressionada.
- Ligue o voltímetro na faixa de tensões contínuas com a ponta positiva no pino 10 de CI-1 (4046) e a preta no negativo da alimentação. Ajuste o trimpot P1 do receptor vagarosamente até ler uma tensão da ordem de 7 a 8 volts.
- Solte a chave Si e a tensão deve cair para 1 volt aproximadamente. Não obtendo este resultado, ajuste novamente P1.
- Na condição em que a tensão elevada é obtida no pino 10 temos o acionamento do relé. Este ajuste deve ser refeito várias vezes até que tenhamos certeza do bom desempenho do aparelho.
- Comprovado o funcionamento, antes de fechar o aparelho em sua caixa podemos fazer um teste de sensibilidade afastando o transmissor até uma distância de 20 metros e verificando se ele atua sobre f) receptor da forma esperada.
Para esta finalidade é interessante ligar no relé uma carga ou outro dispositivo de aviso. Comprovado o funcionamento é só fazer a instalação definitiva do aparelho.
CONSIDERAÇÕES FINAIS
Escolhemos para o projeto um cristal de 38,990 MHz mas nas casas especializadas podem ser encontrados muitos cristais de frequências próximas que podem ser usados neste projeto. Se frequências bem diferentes desta forem usadas, entretanto (que é possível) as bobinas devem ser alteradas.


















