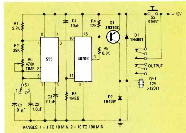
Este circuito foi encontrado na revista Radio Electronics de novembro de 1992. O circuito tem etapa de amplificação para o relé. O relé é de 12 V.

Este circuito foi encontrado na revista Radio Electronics de novembro de 1992. O circuito tem etapa de amplificação para o relé. O relé é de 12 V.
