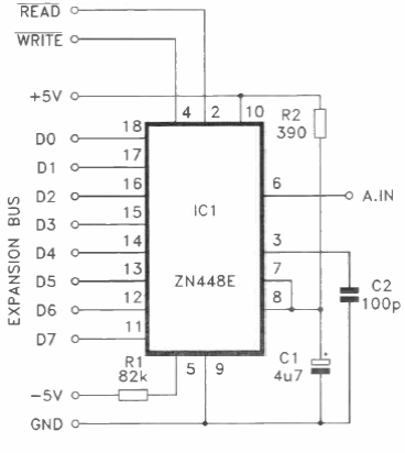
Indicado para aplicações com um PC, este circuito foi obtido numa publicação inglesa de 1992. O circuito integrado ZN448E não é comum atualmente.

Indicado para aplicações com um PC, este circuito foi obtido numa publicação inglesa de 1992. O circuito integrado ZN448E não é comum atualmente.
