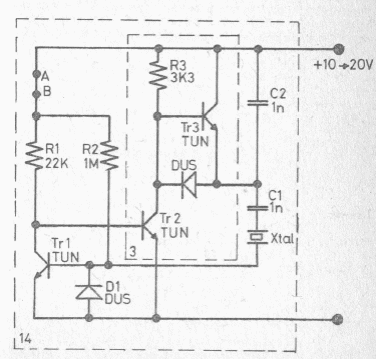
Este circuito utiliza um transdutor cerâmico para emitir ultrassons cuja frequência depende de C2. O circuito foi encontrado numa publicação inglesa dos anos 80. Os componentes admitem equivalentes.

Este circuito utiliza um transdutor cerâmico para emitir ultrassons cuja frequência depende de C2. O circuito foi encontrado numa publicação inglesa dos anos 80. Os componentes admitem equivalentes.
