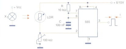
A ação monoestável pode ser um fator importante em muitos projetos. Entende-se por ação monoestável a produção de um pulso de saída de duração constante que independe da velocidade ou extensão do objeto detectado, ou seja, do tempo de interrupção do feixe de luz. Esta ação pode ser obtida facilmente com a ajuda de um circuito integrado 555 na configuração monoestável. O tempo de duração do pulso de saída depende de R e de C no circuito da figura 8. A constante de tempo é dada por:
T= 1,1 .11.C
O ajuste do ponto de disparo do circuito depende da intensidade da fonte de luz, e pode ser feito por um trimpot de 100 k Ω no pino 2. Para fontes fracas este potenciômetro pode ser aumentado para 1 M Ω. Lembramos que o circuito integrado 555 pode excitar diretamente uma etapa com um relé, ou ainda etapas de circuitos lógicos de tecnologia TTL ou CMOS. As fontes de luz dependem da sensibilidade desejada. O circuito completo deste detector é apresentado na figura.
















