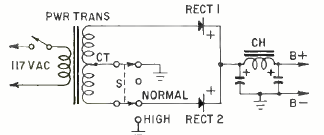
Encontramos este circuito na revista Radio Electronics de maio de 1962, O circuito usa diodos retificadores e as tensões de saída dependem do transformador usado.

 


 

 

 

NO YOUTUBE


NOSSO PODCAST