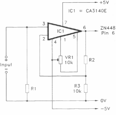
Este circuito para PC e que também pode ser usado com microcontroladores foi encontrado numa documentação inglesa de1992. A fonte deve ser simétrica.

Este circuito para PC e que também pode ser usado com microcontroladores foi encontrado numa documentação inglesa de1992. A fonte deve ser simétrica.
