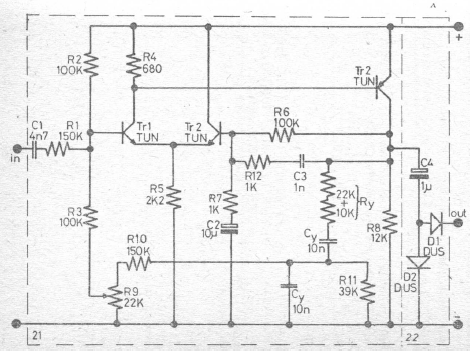
Encontramos este circuito numa documentação inglesa dos anos 80. O circuito pode fazer uso de transistores de uso geral moderno.

Encontramos este circuito numa documentação inglesa dos anos 80. O circuito pode fazer uso de transistores de uso geral moderno.
