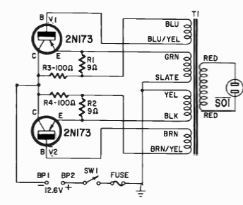
Encontramos este circuito numa publicação de 1966. Os componentes são da época. Não foram dadas informações completas sobre o transformador.

Encontramos este circuito numa publicação de 1966. Os componentes são da época. Não foram dadas informações completas sobre o transformador.
