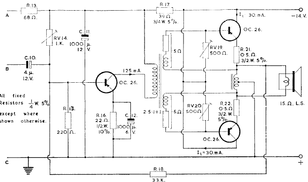
Esta é a etapa de potência do circuito anterior. Os transistores de saída devem ser montados em bons dissipadores de calor. O circuito é de documentação dos anos 60.

Esta é a etapa de potência do circuito anterior. Os transistores de saída devem ser montados em bons dissipadores de calor. O circuito é de documentação dos anos 60.
