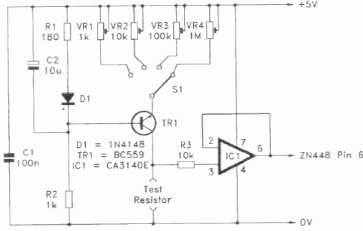
Encontramos este circuito numa documentação inglesa para PC de 1996. O ZN448 é um circuito integrado pouco comum atualmente. Trata-se de um circuito de interface.

Encontramos este circuito numa documentação inglesa para PC de 1996. O ZN448 é um circuito integrado pouco comum atualmente. Trata-se de um circuito de interface.
