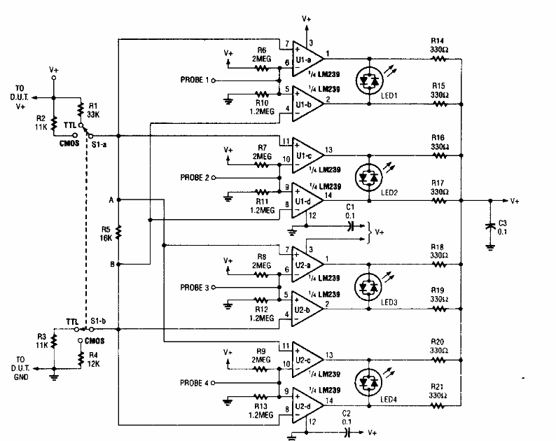
Este circuito foi encontrado numa Popular Electronics dos anos 90. O circuito usa 4 LEDs bicolores para indicar sinais tanto de lógica TTL como CMOS. O circuito é alimentado pela fonte do próprio circuito em prova.
Este circuito foi encontrado numa Popular Electronics dos anos 90. O circuito usa 4 LEDs bicolores para indicar sinais tanto de lógica TTL como CMOS. O circuito é alimentado pela fonte do próprio circuito em prova.