Este artigo é baseado no “Application Note 3893"da Maxim Produts, Inc. e aborda as diversas possibilidades para proteger os circuitos eletrônicos de baixa tensão contra os efeitos danosos do ambiente elétrico automotivo. Inclui também alguns resultados de testes de laboratórios para a imunidade ao ruído.
Nota: Artigo publicado na Revista Saber Eletrônica 451 de 2011.
O aumento na quantidade de componentes eletrônicos empregados nos automóveis apresenta desafios e oportunidades sem igual ao projetista de fontes de alimentação. A maior parte dos módulos automotivos requer baixas tensões como 5 V ou 3,3 V, mas o emprego de reguladores lineares de tensão para baixar a tensão da bateria dissipa potência considerável. Como resultado, o aumento nas exigências de potência de processadores mais velozes e de ASICs vem forçando a troca do ineficiente método dos reguladores lineares de tensão pelos mais eficientes e complexos "conversores chaveados".
Vantagens do Conversor Chaveado
Componentes passivos como os capacitores e indutores de potência podem ser fisicamente menores em altas frequências de chaveamento, de modo que o tamanho de um conversor chaveado depende de sua frequência de chaveamento. Pela redução da dissipação de potência, os conversores de alta eficiência também eliminam a necessidade de radiadores de calor grandes e caros. Sendo assim, o uso de conversores chaveados pode reduzir o tamanho da fonte de alimentação. Essas vantagens do conversor chaveado fazem dele uma opção atraente para o gerenciamento de energia nas aplicações automotivas, tais como eletrônica embutida, sistemas de fontes e módulos de controle de motores.
Considerações para a escolha de um Conversor Chaveado
A escolha da frequência de chaveamento é crítica, uma vez que o conversor chaveado apresenta seu próprio conjunto de problemas. O ruído eletromagnético gerado pela frequência fundamental de chaveamento e pelas altas harmônicas poderá interferir com outras eletrônicas. Receptores de rádio AM, por exemplo, são sensíveis a interferências na faixa de 530 kHz a 1710 kHz. A escolha de uma frequência de chaveamento maior que 1710 kHz eliminará, portanto, a interferência das harmônicas e da fundamental na banda de frequências AM. Resultados de testes mostrarão que configurações para alta frequência usando um simples protetor, trabalhando com tensões moderadas, a exemplo dos CIs da Maxim, consistem em excelentes soluções para os desafios do gerenciamento de potência nas aplicações automotivas. Ultimamente, ficou bastante claro que os projetistas não precisam dos controladores de alta tensão para desenhar os seus conversores chaveados.
O chaveamento em alta frequência também aumenta as perdas de potência, o que, em parte, diminui a vantagem de utilizar-se um conversor chaveado. Pelo fato das perdas de chaveamento serem proporcionais à tensão de operação elevada ao quadrado, elas são bem maiores com tensões de entrada mais altas. Infelizmente, um CI de controle de potência automotiva demanda um sistema de alta tensão (40 V ou mais) para resistir aos despejos de carga e outros transientes de sobretensão. Circuitos de alta tensão incorporam geometrias maiores, "gates" mais espessos, e maiores comprimentos de canal, os quais acarretam atrasos de propagação maiores. Esses circuitos inerentemente lentos tornam-se ineficientes, porque os longos tempos de subida/ descida na chave causam perdas de transição mais elevadas.
Os avançados circuitos já disponíveis para os projetistas da Maxim são apropriados para conversores de altíssima velocidade operando com níveis de tensão moderados. O MAX5073, um conversor buck-boost de 2 MHz com saída dupla, por exemplo, pode suportar tensões de entrada de até 23 V. A operação do conversor com defasagem possibilita que ele alcance uma frequência de chaveamento efetiva de 4,4 MHz.
Considerando-se que os conversores chaveados são supostamente imunes a interferências vindas da fonte de energia, o leitor poderia perguntar: "As aplicações automotivas precisam realmente de CIs com alta capacidade de tensão?" A discussão a seguir responde essa questão descrevendo os distúrbios comuns que surgem nos sistemas de potência automotivos, e as soluções para proteger os sistemas eletrônicos de baixa tensão dessas perturbações.
Condições de Estresse de Sobretensão na Linha de Potência
Dispositivos com proteção contra sobretensão (overvoltage — OV) isolam e protegem os circuitos eletrônicos de tensões excessivas conduzidas pelas conexões elétricas para o sistema elétrico automotivo, em particular aquelas conexões para a principal tensão de alimentação. A capacidade de opor-se ás perturbações conduzidas é conhecida como "imunidade conduzida".
Fabricantes de automóveis e organizações de padronização especificam diversos métodos de testes para avaliação da imunidade conduzida de componentes e circuitos. Enquanto as OEMs automotivas tendem a apresentar exigências específicas, a maioria das normas deriva da ISO 7637. A seguir, um breve sumário das condições "OV" de sobretensão típicas que são relevantes para aplicações automotivas. Esse sumário não pretende ser uma descrição abrangente de todas as exigências de imunidade conduzida.
Condição de Sobretensão (OV) Estáveis
Certas condições de sobretensão (OV) têm duração suficientemente longa para serem consideradas estáveis (steady-state) do ponto de vista de um circuito eletrônico. Um exemplo seria qualquer condição OV que dure mais do que a constante de tempo térmica de um componente eletrônico associado. Nesses casos, a dissipação contínua e a subida de temperatura resultante constituem as principais preocupações. Condições "steady-state" poderiam ser: um regulador de alternador com falha, uma partida de bateria com o dobro da tensão, ou conexões de bateria invertidas. Em seguida, uma breve descrição de cada uma delas.
Regulador do Alternador com Falha
A saída de um alternador é ajustada para velocidade, carga e temperatura pela regulação da intensidade da corrente no seu enrolamento de campo. Esse ajuste é obtido geralmente por um regulador de tensão, que garante uma saída constante e regulada do alternador através da modulação PWM da sua bobina de campo. Um "set point" típico para a saída do regulador de tensão é 13,5 V. No entanto, o regulador poderá falhar em um modo que aplique a corrente de campo máxima, por negligência de carga ou pelas condições da tensão de saída.
Quando a falha ocorre, o sistema todo pode ficar sujeito a tensões acima dos típicos 13,5 V. (Os níveis de tensão reais dependem da velocidade do veículo, carregamento, e outras condições). Uma especificação OEM típica de teste para reguladores com falhas é a aplicação de 18 V por uma hora. A maior parte dos sistemas é especificada para resistir ao estresse desse teste.
Partida com Nível de Bateria dobrado
Outra condição de sobretensão estável é a "double-batteryjump start" ou "partida com nível de bateria dobrado", a qual ocorre quando um caminhão-reboque ou outro serviço do pessoal utiliza 24 V para dar a partida num veículo incapacitado, ou ainda carregar uma bateria "morta". A exigência de teste OEM (típica) para esta condição é de 24 V por dois minutos. Alguns sistemas voltados para segurança e gerenciamento de motores são especificados para operarem sob estas condições.
Condição de Bateria Invertida
Uma tensão invertida estável poderá ser aplicada inadvertidamente num sistema elétrico de um veículo durante a fabricação ou serviço. Sob esta condição, a maior parte dos sistemas é especificada para sobreviver mas não operar. A tensão típica exigida é de —14 V aplicados durante 1 minuto. Este teste pode ser um desafio para sistemas que requerem altas correntes ou uma queda de tensão pequena.
Condições de Sobretensão (OV) Transitórias
Em um automóvel, a maioria das condições de sobretensão transitórias é causada pelo chaveamento de cargas indutivas. Tais cargas incluem o motor de partida, a bomba de combustível, motores para os vidros, bobinas de reles, solenoides, componentes de ignição, e indutâncias distribuídas. O bloqueio da corrente em qualquer uma dessas cargas produz um pulso de sobretensão (OV pulse). Filtros, varistores de óxido metálico — MOVs, ou supressores de transientes de tensão são utilizados para eliminar tais transientes de OV, especificados de acordo com as amplitudes e tempos envolvidos. As figuras de 1 a 4 mostram as características da supressão de transientes na norma IS07637. A tabela 1 apresenta um sumário representativo das atuais especificações OEM, as quais são baseadas fortemente na norma IS07637.
Conforme já foi mencionado, a tensão da bateria não pode ser suprida diretamente ao conversor chaveado de alta performance. Em vez disso, a bateria é ligada geralmente num supressor de transientes (MOV), ou em um capacitor "by-pass" seguido pelo tradicional limitador de tensão. Esses circuitos simples são montados em torno do MOSFET — Canal p (figura 5a).
O transistor MOS-FET — Canal p deverá ser especificado para 50 V ou 100 V, dependendo do nível de tensão dos transientes que é esperado na entrada VBAT.
Um diodo zener de 12 V (Z1) é colocado para prevenir a tensão "gate-source" do MOSFET de um valor excessivo VGSMAX. O MOSFET opera saturado quando a tensão de entrada (VBAT) está abaixo da tensão de "breakdown" do zener Z2. Durante um transiente de tensão na entrada, o MOSFET bloqueia tensões superiores à tensão breakdown de Z2. A desvantagem dessa configuração é que ela requer um MOSFET - Canal p caro e numerosos componentes associados a ele. Uma outra abordagem utiliza um transistor NPN. A tensão de base do NPN é fixada por VZ3, que regula a tensão de emissor em (VZ3 - VBE). Esta solução é barata, mas a queda VBE causa uma perda de potência PLoss = IIN x VBE. A queda de tensão VBE também aumenta o parâmetro crítico da mínima tensão de bateria exigida, especialmente durante operações com manivela (figura 5b). Uma 3ª opção emprega um transistor _ MOSFET- Canal n. Este componente é fácil de encontrar, mais econômico, sendo usado como elemento de bloqueio. Entretanto, o controle de "gate" é complicado devido à necessidade de VG ser maior que a tensão de "source".
O diagrama de blocos da figura 5c ilustra o uso de uma chave MOSFET-Canal n como dispositivo de bloqueio.
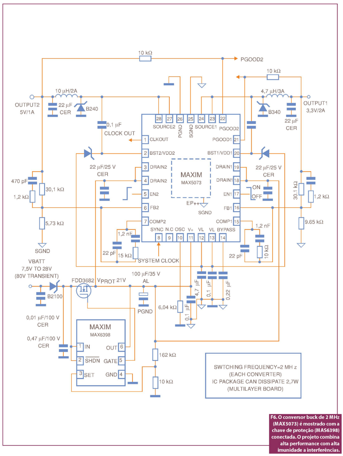
Durante a descarga, o MOSFET corta completamente quando VBAT aumenta acima do limite da bateria. Então, o MOSFET permanece no corte enquanto a tensão de bateria se mantiver acima do limite mencionado. Um controlador -protetor contra sobretensão (MAX6398) protege a fonte de alta performance de "overvoltages" automotivas (por exemplo: despejos de carga ou nível de bateria dobrado) através do controle do MOSFET - Canal n. A figura 6 exibe esta configuração.
As figuras seguintes (de 7 a 9) apresentam os resultados dos testes de imunidade ao ruído obtidos em laboratório com um protetor de transientes usando MOSFET - Canal n.
Essas formas de onda (figuras 7 e 8) mostram a resposta na saída do protetor da figura 6 e nas duas saídas do conversor, para 1 s/cm (A) e 1 ms/cm (B).
(CH1 = VBAT; CH2 = VPROT; CH3 = Output1; CH4 = Output2).
As formas de onda (figuras 9a e 9b) exibem a resposta na saída do protetor e nas duas saídas do conversor, para 1 s/cm (A) e 200 µs/cm (B).
(CH1 = VBAT; CH2 = VPROT; CH3 = Output 1; CH4 = Output2)
Conforme visto na figura 9, o MAX6398 bloqueia efetivamente os pulsos de descarga automotivos e regula a tensão da seção eletrônica de alta performance e baixa tensão. A estratégia de utilizar a combinação de um circuito protetor e uma eletrônica de alta performance/ baixa tensão poupa espaço e diminui custos, quando comparada a uma solução de alta tensão operando em frequência significativamente mais baixa.



























